Uppgift 2058
Uppgift 2058 - För betygsnivå C
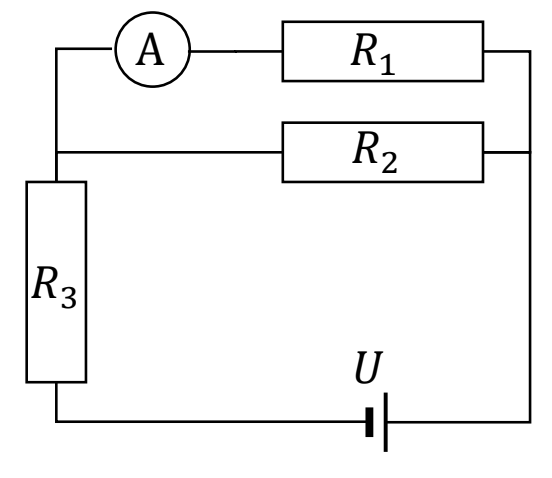
Batteriet håller en spänning på $U=12,0 \mathrm{~V}$. Resistanserna har värdena $R_1=10,0 \Omega, R_2=20,0$
$\Omega$ och $R_3=30,0 \Omega$. Amperemetern har försumbar resistans. Vad visar amperemetern i kretsen?

Källa till uppgift:
KTH ten 220531
Innehållet är endast tillgängligt för Pluggies medlemmar.
Prova i 30 dagar för 19 kr.
Logga in eller Bli medlem nu
Logga in eller Bli medlem nu
Innehållet är endast tillgängligt för Pluggies medlemmar.
Prova i 30 dagar för 19 kr.
Logga in eller Bli medlem nu
Logga in eller Bli medlem nu
Innehållet är endast tillgängligt för Pluggies medlemmar.
Prova i 30 dagar för 19 kr.
Logga in eller Bli medlem nu
Logga in eller Bli medlem nu
Bra att kunna inom kretsar
Ohms lag
$U=RI$
Ström
$I=\frac{Q}{dt}$
EMS/EMK, polspänning samt inre resistans.
$U=\varepsilon -R_i \cdot I$
Effekt
$P=U I=RI^2=\frac{U^2}{R}$
Seriekopplade motstånd
$R=R_1+R_2 $
Parallellkopplade motstånd
$\frac{1}{R}=\frac{1}{R_2}+\frac{1}{R_2}$
$R= \rho \cdot \frac{l}{A}$
Läs teori om kretsarLogga in eller Bli medlem nu